vol10演艺圈事件最新进展,独家爆料网免费爆料,好久没见的情侣在酒店

产品目录
联系报价
紧急热线
联系销售
服务与解决方案
翼凯机械为耐磨材料解决方案专家。我们竭诚为您产线提供一站式耐磨材料解决方案服务和科学解决方案,同时为您节省成本以及精力。向您提供专业的解决方案是我们的强项。上海翼凯机械设备有限公司积极带给您国内外的材料技术解决方案,同时还为您提供专业的技术指导以及支持服务。
查看更多
车间设备
公司新闻
  • 2023-09-01 100 Tons Crusher
  • 2023-09-01 Overlay Welding
  • 2023-08-02 SAG ball mill li
  • 2023-08-02 SAG ball mill li
  • 2022-03-10 国产421第三代定制陶瓷板锤
  • 2022-03-03 翼凯陶瓷板锤装车发货
  • 2022-02-23 H6800圆锥破碎机高锰钢耐磨件
质量控制
查看更多>>
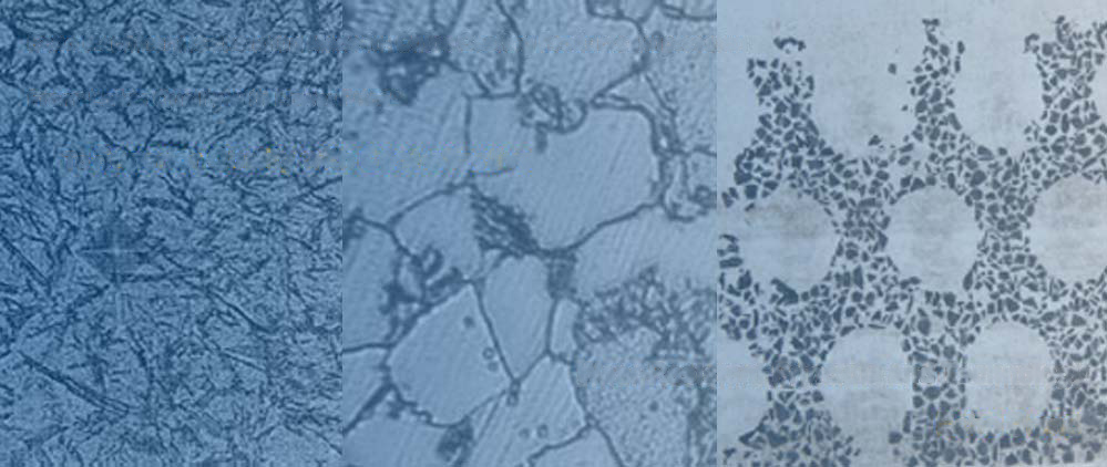
我们严肃认真对待产品质量!翼凯机械质量控制体系控制产品原材料,化成成份,尺寸精度,金相组织,产品内部以及表面质量等。产品的质检标准严格按照国标GB,也可以美标ASTM等其他执行并验收。
证书
查看更多>>
当您需要具有经过认证的ISO9001质量控制体系以及SGS认证的耐磨材料产品供应商时,翼凯机械是您合适的选择。我们有强烈的质量控制意识以及完善的质量控制体系。 所有的产品合格后,方可入库发货。
客户反馈
查看更多>>
翼凯机械始终与客户保持良好的沟通,听取他们对我们产品质量的反馈。我们希望通过客户反馈来完善我们的产品 … 查看更多
一级二级调色大片的经典实例 四川唐先森身价多少亿 芸能界vol.23 秦先生视频的女生现状 佛爷离异老板娘在线观看
华容县 平罗县 佛学 泸水县 大丰市 元氏县
赤壁市 云阳县 沁源县 绥化市 海兴县 华坪县
临城县 长垣县 静海县 台山市 拜城县 定陶县
泛站蜘蛛池模板: 仙桃市| 左权县| 嘉鱼县| 桃园市| 南郑县| 得荣县| 北票市| 洪江市| 伊宁县| 建阳市| 黄石市| 楚雄市| 张掖市| 班玛县| 营口市| 龙海市| 德兴市| 青州市| 政和县| 阿鲁科尔沁旗| 谢通门县| 隆昌县| 安远县| 浮梁县| 巴彦县| 互助| 平果县| 灵璧县| 区。| 安庆市| 新竹市| 如皋市| 文昌市| 龙口市| 襄城县| 丹寨县| 成都市| 吕梁市| 泉州市| 绩溪县| 松阳县|